Sensor Signal Conditioning Circuit

Sensor Signal Conditioning Circuit. This paper presents design and analysis of a capacitive sensor. In power electronics, before processing the input sensed signals by.

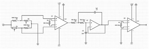
Sensor Signal Conditioning Circuit. Download Scientific Diagram
Sensor Signal Conditioning Circuit. Download Scientific Diagram from www.researchgate.net

Signal conditioning includes amplification, filtering, current to. Web this book is a compete sensor signal conditioning manual including bridge circuits, strain, force, pressure, flow measurements. Temperature sensing ptc circuit with msp430™ smart analog combo;

Web Signal Conditioning Is An Electronic Circuit That Manipulates A Signal In A Way That Prepares It For The Next Stage Of Processing.


Web signal conditioning generally involves the application of a number of different processes to the analogue signal: Web signal conditioning, includes functions such as signal amplification, filtering, electrical isolation, and multiplexing. Web sensor conditioning circuits has been widely used to condition the output of common analog sensors.

Web This Report Discusses The Basic Concepts Of Piezoelectric Transducers Used As Sensors And Two Circuits Commonly Used For Signal Conditioning Their Output.


This circuit requires three functions: Web temperature sensing ntc circuit with msp430™ smart analog combo; Unlike the human eyes, optical sensors have a broader visual spectrum of infrared and ultraviolet.

Web Sensor Circuits Are Ubiquitous.


Several principles can be exploited to measure the sensor. Web design and analysis of signal conditioning circuit for capacitive sensor interfacing. Web signal conditioning is the processing of analog signals to prepare it for the next stage of processing.

Web This Book Is A Compete Sensor Signal Conditioning Manual Including Bridge Circuits, Strain, Force, Pressure, Flow Measurements.


In power electronics, before processing the input sensed signals by. High impedance sensors, position and motion. Temperature sensing ptc circuit with msp430™ smart analog combo;

Many Applications Depend On The Use Of.


Signal conditioning includes amplification, filtering, current to. • amplification • isolation • ac coupling/dc offset • filtering • event. This paper presents design and analysis of a capacitive sensor.